- Brass
- Carbon Steel
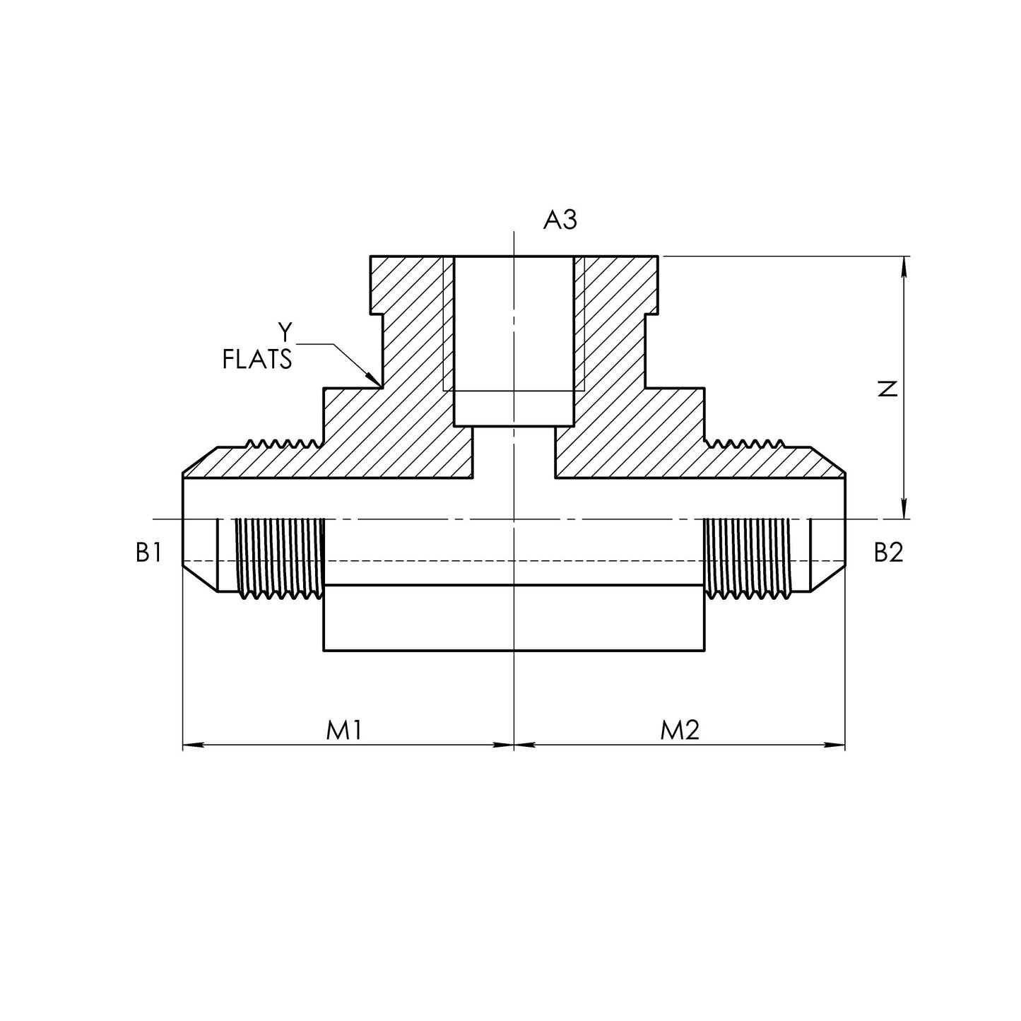
- Live Swivels
- International
- Stainless Steel
- Kits & Accessories
- Hose
- Hose Crimp Fittings
1
/
of
2
In Stock
Couldn't load pickup availability

- Choosing a selection results in a full page refresh.
- Opens in a new window.