- Brass
- Carbon Steel
- Live Swivels
- International
- Stainless Steel
- Kits & Accessories
- Hose
- Hose Crimp Fittings
1
/
of
1
Low Stock
Couldn't load pickup availability
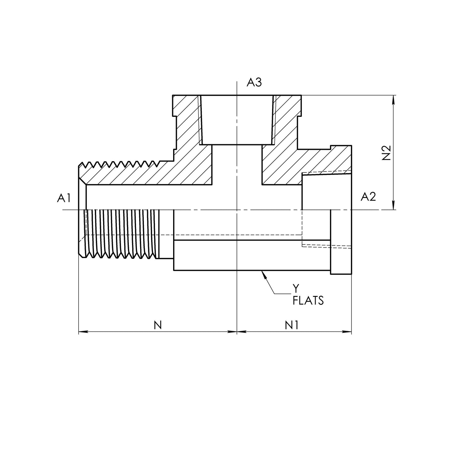
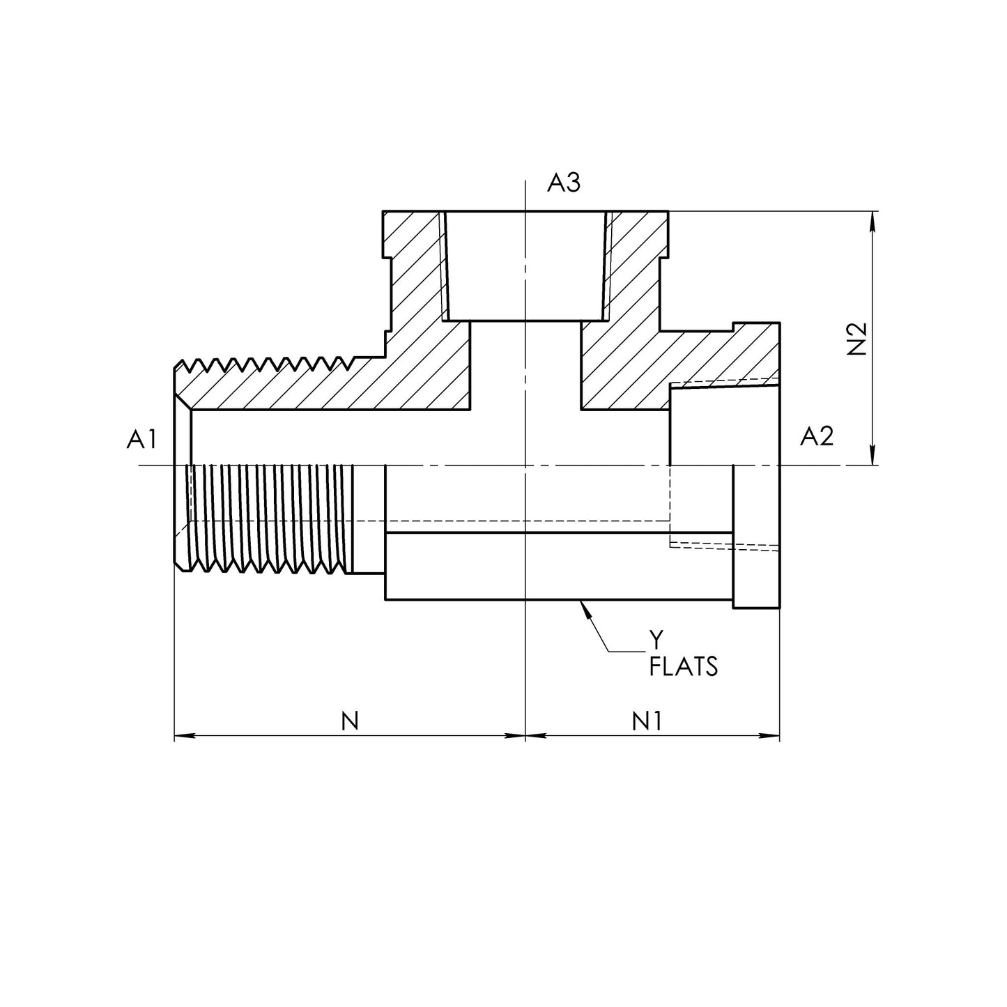
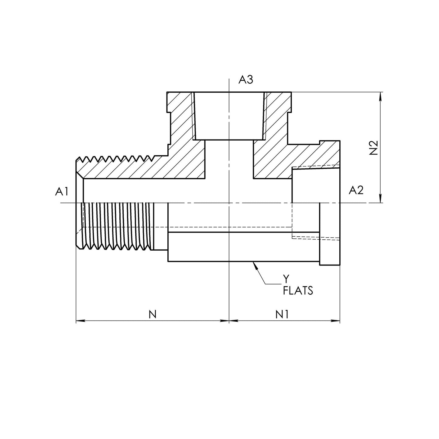
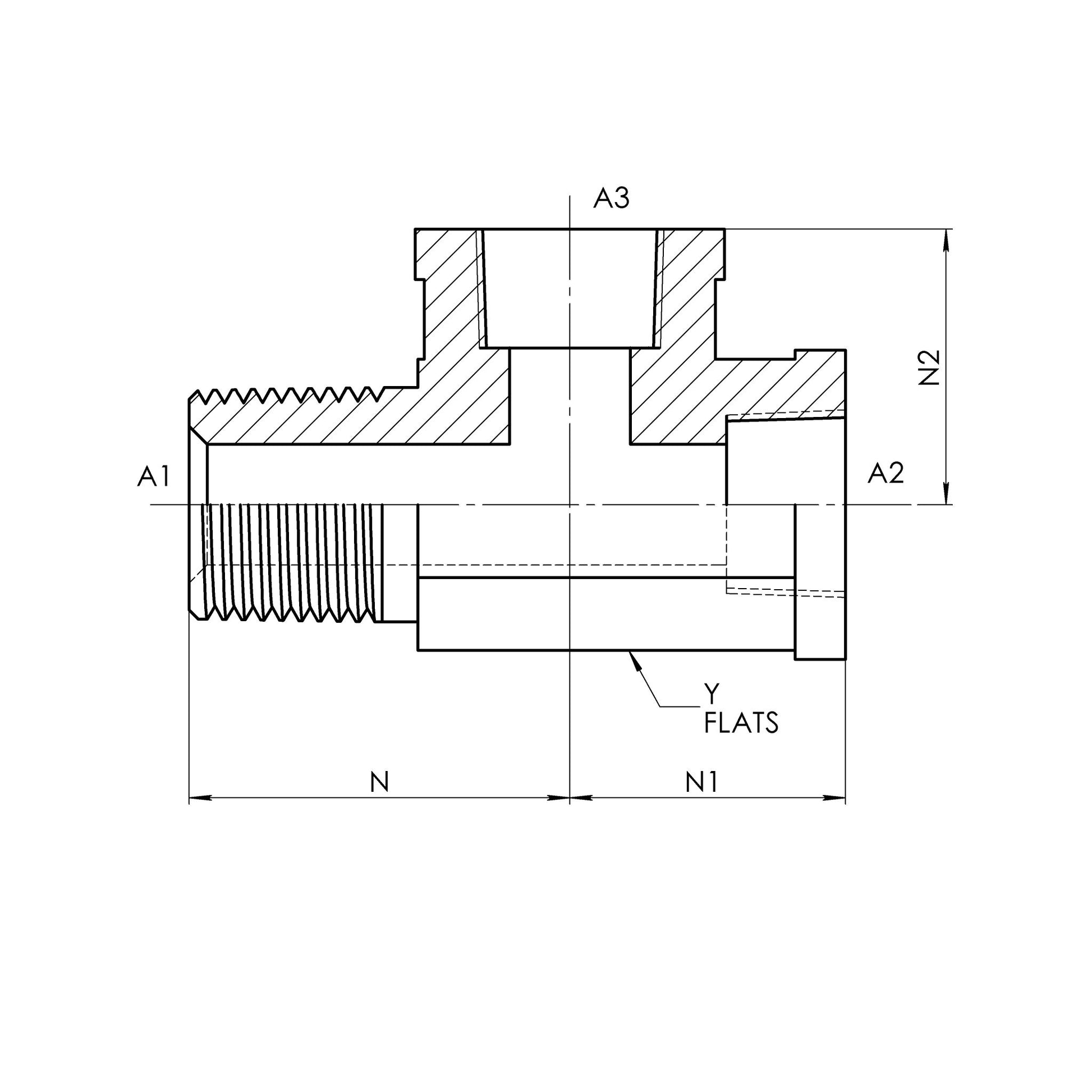
| Competitor Cross Reference | |
|---|---|
| COMPETITOR | PART # |
| SAE | 140424 |
| Parker | 3/4 MRO-SS |
| Swagelok | 12-ST |
| SSP | 3/4FMF |
| Aeroquip | 259-2092-12-12 |

- Choosing a selection results in a full page refresh.
- Opens in a new window.